|
Periférico (Ex:Monitor, teclado, mouse,..).não está funcionando adequadamente |
|
|
Descrição: |
- Periférico associado ao computador (monitor, teclado, mouse, caixa de som, câmera...) não funciona adequadamente. - Monitor desligado ou com cabo de força ou de vídeo desconectado. - Teclado com cabo desconectado ou alguma tecla acionada. - Mouse com cabo desconectado. - Caixa de som desligada ou com cabo de áudio desconectado. - Câmera desligada ou com cabo desconectado.
- Computador não liga (não tem imagem no monitor). - Teclado não responde aos comandos. - Mouse não responde aos comandos. - Não tem imagem da câmera. - Não sai som nas caixas. |
|
Status: |
Ativo/Inativo |
|
Categoria: |
Periféricos (hardware) |
|
Contato de Suporte: |
Em função de anormalidade detectada em algum periférico associado ao computador, o usuário deve abrir chamado ao Suporte e Manutenção de TI da Instituição, informando o setor do equipamento. Contatos: (84)3215-2929 Ramal: 2929 |
|
Prioridade: |
Monitor (alta), Teclado e mouse (média), Câmera e caixa de som(baixa) |
|
Responsável: |
Equipe de Suporte de TI (Igor e Glen) |
|
Usuários e requisitos: |
Funcionários e estagiários da Instituição. Estar cadastrados no AD. |
|
Setor: |
Todos os setores que possuam computadores da Instituição |
|
Especificações detalhadas |
|
|
Entrada: |
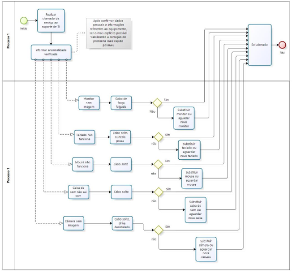
O cliente com algum problema em periférico (monitor, teclado, mouse, câmera, caixa de som), deverá entrar em contato com o suporte de TI da instituição, através de email ou telefone. Comunicar o setor em que trabalha e o equipamento em questão, informando o defeito com uma descrição detalhada, possibilitando a resolução da forma mais rápida possível. |
|
Saídas: |
Solucionado (Cabo de força do monitor danificado ou folgado. Reaperto ou substituição). Solucionado (Monitor substituído). Solucionado (Teclado com tecla presa, desprendimento da mesma). Solucionado (Substituição do teclado danificado). Solucionado (Mouse com cabo solto, cabo reconectado) Solucionado (Substituição do mouse danificado). Solucionado (Driver da Câmera não estava instalado, feita a instalação do driver específico). Solucionado (Substituição da câmera danificada). Solucionado (Cabo de áudio da caixa de som solto, cabo reconectado). Solucionado (Substituição da caixa de som danificada). Não Solucionado (Não tem peça de reposição em estoque). |
|
Padrões ou itens suportados/excluídos: |
Periféricos são componentes que naturalmente se desgastam com o uso, portanto uma boa conservação e utilização prolongará sua vida útil. Periféricos danificados só serão substituídos caso haja sobressalente em estoque. |
|
Disponibilidade: |
O serviço de suporte a periféricos estará disponível em todos os horários de funcionamento da instituição. (Segunda a Sexta-Feira das 07h00min às 21h00min e nos Sábados das 07h00min às 18h00min.) |
|
Padrões de desempenho: |
O tempo de atendimento para prioridade alta será de no máximo duas horas, para prioridade média será de quatro horas e no caso de prioridade baixa de vinte e quatro horas. Relatórios de falhas em periféricos serão gerados para compor um banco de dados e facilitar a escolha na hora de novas compras, optando por fabricantes que oferecem produtos com menores falhas de equipamentos. Todos os atendimentos serão registrados desde a hora da solicitação até a hora de conclusão do serviços, para estabelecer parâmetros e controle de incidentes. |
|
Procedimentos para iniciar, alterar ou terminar o serviço: |
|
|
Regras: |
Os equipamentos devem ser utilizados para o desenvolvimento de serviços exclusivamente relacionados a Instituição. Caso seja constatado mau uso, o funcionário ou estagiário na primeira ocorrência será advertido, em caso de reincidência punição com suspensão ou demissão de acordo com a gravidade. |
